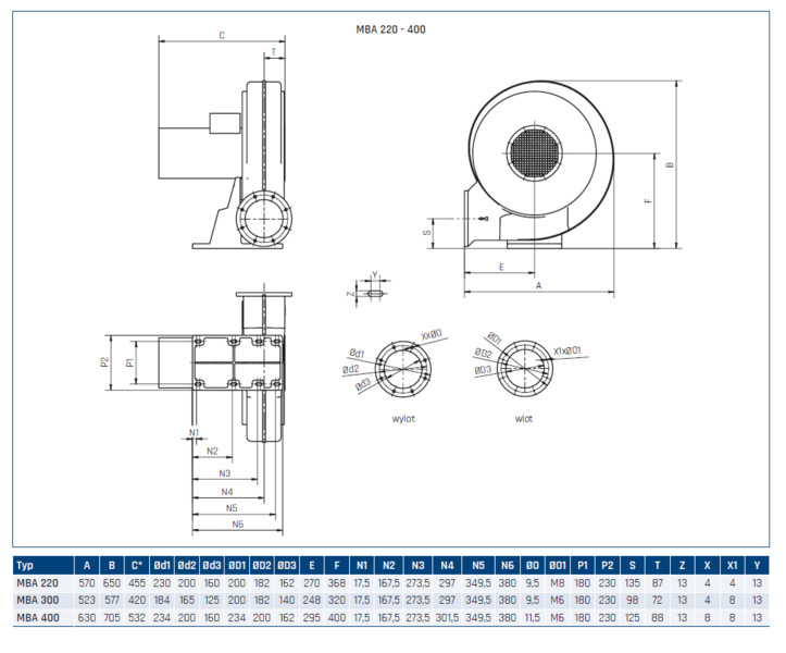
MBA 220T
Prekės kodas: 366
Parametrai
| Išorės max temperatūra (C): | -20 +40 |
|---|---|
| Galia (kW): | 1.5 |
| Įtampa (V): | 230/400 |
| Srovė (A): | 5.25 |
| Apsisukimai (x/min): | 2880 |
| Našumas (m³/h): | 2315 |
| Slėgis (max Pa): | 3230 |
| Svoris (kg): | 25 |
| Triukšmo lygis (dB): | 79 |
| Srauto max temperatūra (C): | -20 +80 |
| Variklio IP : | IP 55 |
| Sandeliuojama : | - |







