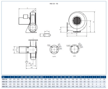
MBA 75S
Prekės kodas: 361
Parametrai
| Išorės max temperatūra (C): | -20 +40 |
|---|---|
| Galia (kW): | 0.55 |
| Įtampa (V): | 230 |
| Srovė (A): | 3.1 |
| Apsisukimai (x/min): | 2870 |
| Našumas (m³/h): | 720 |
| Slėgis (max Pa): | 2390 |
| Svoris (kg): | 22 |
| Triukšmo lygis (dB): | 75 |
| Srauto max temperatūra (C): | -20 +80 |
| Variklio IP : | IP 55 |
| Sandeliuojama : | - |







