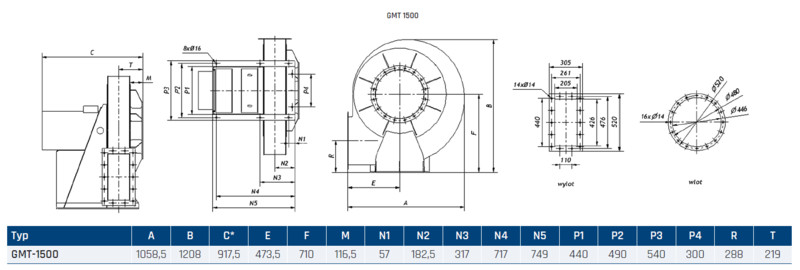
GMT 1500T 30kW
Prekės kodas: 224
Parametrai
| Išorės max temperatūra (C): | -20 +40 |
|---|---|
| Galia (kW): | 30 |
| Įtampa (V): | 400/690V |
| Srovė (A): | 53 |
| Apsisukimai (x/min): | 2950 |
| Našumas (m³/h): | 7900 |
| Slėgis (max Pa): | 7760 |
| Svoris (kg): | 485 |
| Triukšmo lygis (dB): | 99 |
| Srauto max temperatūra (C): | -20 +80 |
| Variklio IP : | IP 55 |
| Sandeliuojama : | - |





