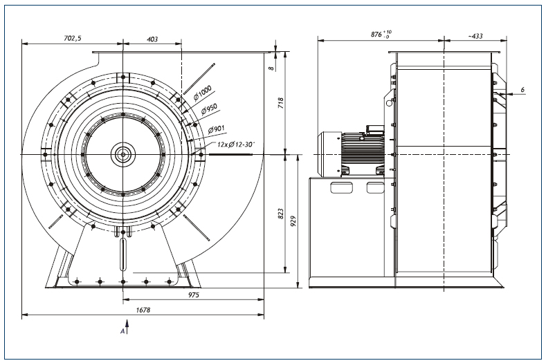
MBB-4-1000/355-3700T
Prekės kodas: 45512135
Parametrai
| Išorės max temperatūra (C): | 0 |
|---|---|
| Galia (kW): | 37 |
| Įtampa (V): | 400 |
| Srovė (A): | 66 |
| Apsisukimai (x/min): | 1470 |
| Našumas (m³/h): | 51000 |
| Slėgis (max Pa): | 3500 |
| Svoris (kg): | 850 |
| Triukšmo lygis (dB): | 95 |
| Srauto max temperatūra (C): | -20 +40 |
| Variklio IP : | 0 |



