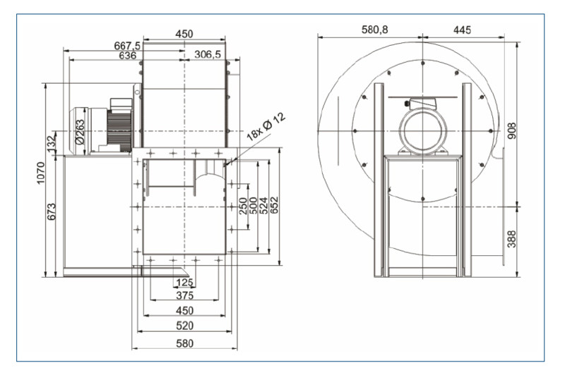
MBB-4-710/250-750T
Prekės kodas: 45512080
Parametrai
| Išorės max temperatūra (C): | 0 |
|---|---|
| Galia (kW): | 7.5 |
| Įtampa (V): | 400 |
| Srovė (A): | 14.6 |
| Apsisukimai (x/min): | 1400 |
| Našumas (m³/h): | 22000 |
| Slėgis (max Pa): | 1800 |
| Svoris (kg): | 230 |
| Triukšmo lygis (dB): | 84 |
| Srauto max temperatūra (C): | -20 +40 |
| Variklio IP : | 0 |
| Sandeliuojama : | - |



