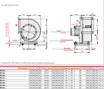
RFC 630-10A/9,7-3-Ex1
Parametrai
| Išorės max temperatūra (C): | -20 +40 |
|---|---|
| Galia (kW): | 9.7 |
| Įtampa (V): | 690/400 |
| Srovė (A): | 13.6/23.5 |
| Apsisukimai (x/min): | 970 |
| Našumas (m³/h): | 18000 |
| Slėgis (max Pa): | 1450 |
| Svoris (kg): | 220 |
| Triukšmo lygis (dB): | 78 |
| Srauto max temperatūra (C): | -30 +40 |
| Variklio IP : | IP 55 |
| Sandeliuojama : | - |




