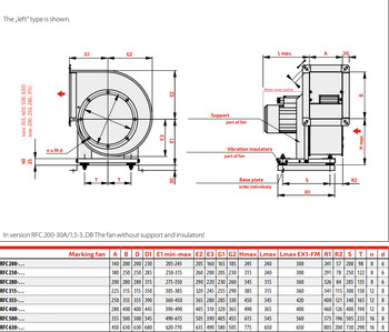
RFC 500-10A/6,6-3-Ex1
Parametrai
| Išorės max temperatūra (C): | -20 +40 |
|---|---|
| Galia (kW): | 6.6 |
| Įtampa (V): | 690/400 |
| Srovė (A): | 9.41/16.3 |
| Apsisukimai (x/min): | 965 |
| Našumas (m³/h): | 17000 |
| Slėgis (max Pa): | 850 |
| Svoris (kg): | 147 |
| Triukšmo lygis (dB): | 88 |
| Srauto max temperatūra (C): | -30 +40 |
| Variklio IP : | IP 55 |
| Sandeliuojama : | - |




