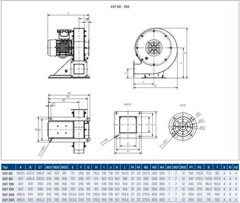
EGT-2-100T
Prekės kodas: 45521022
Parametrai
| Išorės max temperatūra (C): | - |
|---|---|
| Galia (kW): | 0.75 |
| Įtampa (V): | 230/400 |
| Srovė (A): | 3.1/1.8 |
| Apsisukimai (x/min): | 2710 |
| Našumas (m³/h): | 1290 |
| Slėgis (max Pa): | 1845 |
| Svoris (kg): | 29.6 |
| Triukšmo lygis (dB): | 79 |
| Srauto max temperatūra (C): | -20 +60 |
| Variklio IP : | IP 55 |
| Sandeliuojama : | - |



