EGM 700 II 2G Ex cd/de IIB T4
Prekės kodas: 45511560
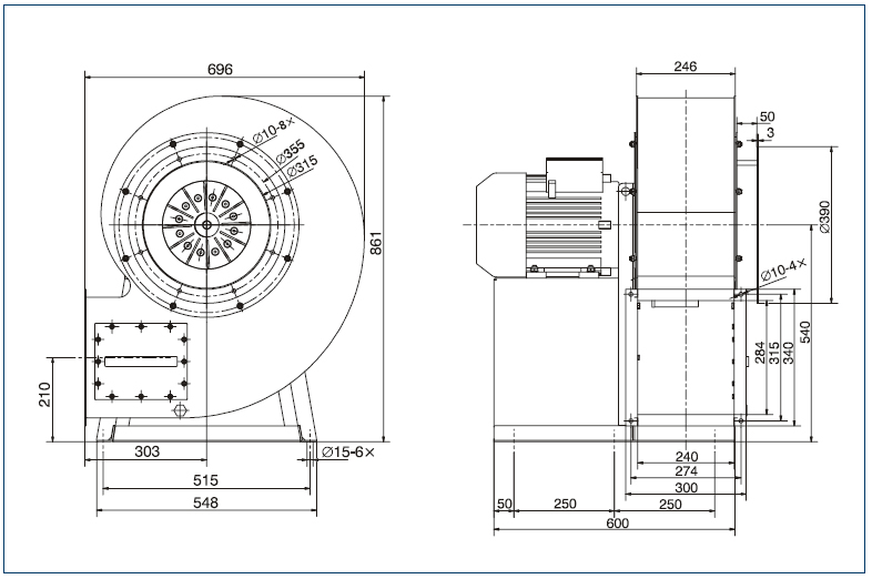
Parametrai
| Išorės max temperatūra (C): | -20 +40 |
|---|---|
| Galia (kW): | 7.5 |
| Įtampa (V): | 400V△/690VY, 50Hz |
| Srovė (A): | 14 |
| Apsisukimai (x/min): | 2930 |
| Našumas (m³/h): | 8800 |
| Slėgis (max Pa): | 3400 |
| Svoris (kg): | 130 |
| Triukšmo lygis (dB): | - - - |
| Srauto max temperatūra (C): | -20 +60 |
| Variklio IP : | IP 55 |



