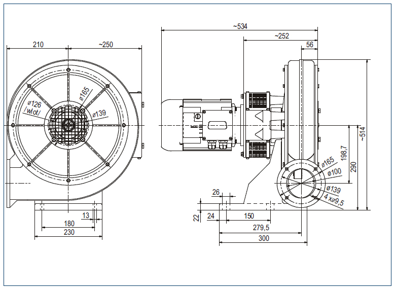
HPBX-200-45-300T
Prekės kodas: 46510516
Parametrai
| Išorės max temperatūra (C): | 0 |
|---|---|
| Galia (kW): | 3 |
| Įtampa (V): | 230/400Y |
| Srovė (A): | 6.6 |
| Apsisukimai (x/min): | 4500 |
| Našumas (m³/h): | 1490 |
| Slėgis (max Pa): | 6150 |
| Svoris (kg): | 39 |
| Triukšmo lygis (dB): | 89 |
| Srauto max temperatūra (C): | -20 +40 |
| Variklio IP : | 0 |



