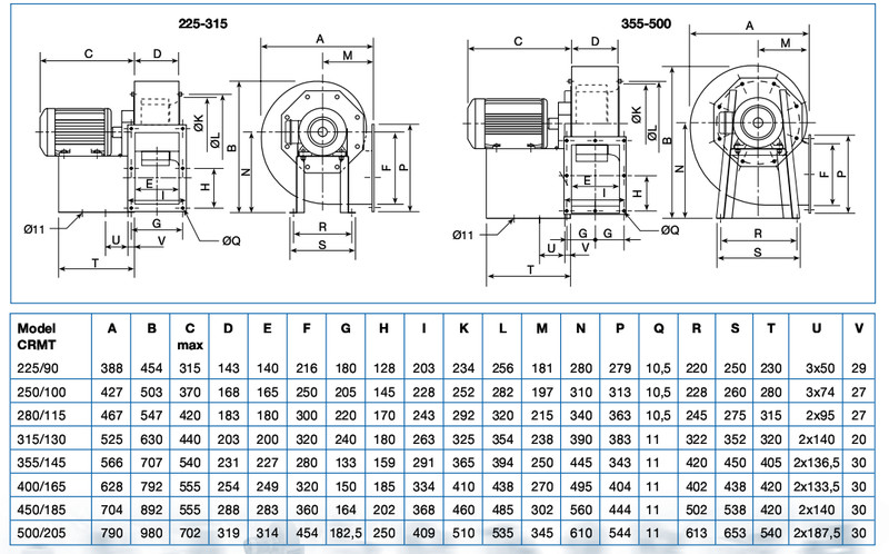
CRMT/4-500/205-11
Prekės kodas: 12364
Parametrai
| Išorės max temperatūra (C): | +300 |
|---|---|
| Galia (kW): | 11 |
| Įtampa (V): | 400/690V, 50 Hz |
| Srovė (A): | 21.2/12.3 |
| Apsisukimai (x/min): | 1450 |
| Našumas (m³/h): | 11250 |
| Slėgis (max Pa): | 2400 |
| Svoris (kg): | 133.5 |
| Triukšmo lygis (dB): | 87 |
| Srauto max temperatūra (C): | +300 |
| Variklio IP : | IP 55 |
| Sandeliuojama : | - |
CRMT Ventiliatoriai skirti dūmų ištraukimui bei karštam orui.
Dėka spec.konstrukcijos bei papildomos aušinimo sparnuotės,
darbinė ventiliatoriaus temperatūra +300˚C. Gaisro atveju CRMT ventiliatoriai gali dirbti 2 val. prie +400˚C.
Ventiliatoriaus korpusas - iš suvirintos skardos, nudažytas epoksidiniais-poliuretaniniais dažais, kurie apsaugo nuo korozijos.
Ventiliatoriaus sparnuotė - iš galvanizuoto plieno. Mentys - lenktos i priekį.









