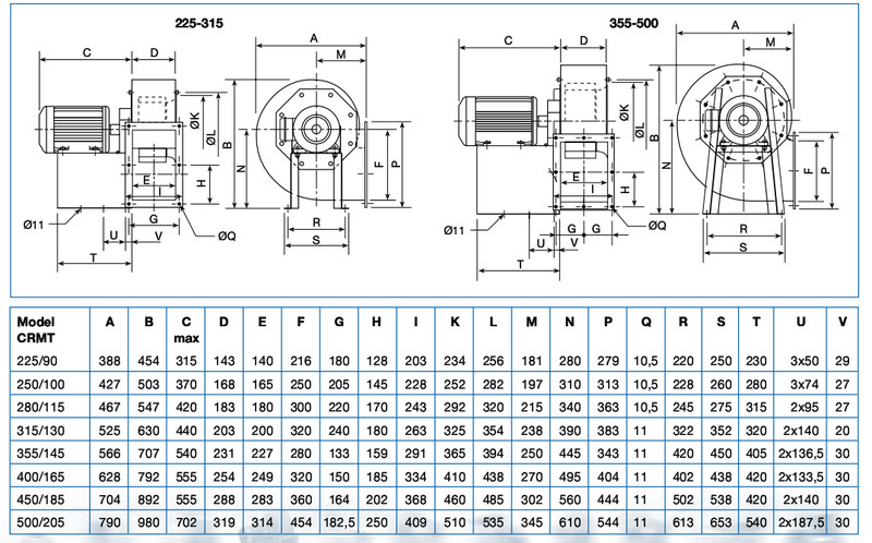
CRMT/4-355/145-4
Prekės kodas: 12354
Parametrai
| Išorės max temperatūra (C): | +300 |
|---|---|
| Galia (kW): | 4 |
| Įtampa (V): | 230/400V, 50 Hz |
| Srovė (A): | 14.2/8.2 |
| Apsisukimai (x/min): | 1440 |
| Našumas (m³/h): | 10700 |
| Slėgis (max Pa): | 1180 |
| Svoris (kg): | 58.5 |
| Triukšmo lygis (dB): | 78 |
| Srauto max temperatūra (C): | +300 |
| Variklio IP : | IP 55 |
| Sandeliuojama : | - |
CRMT Ventiliatoriai skirti dūmų ištraukimui bei karštam orui.
Dėka spec.konstrukcijos bei papildomos aušinimo sparnuotės,
darbinė ventiliatoriaus temperatūra +300˚C. Gaisro atveju CRMT ventiliatoriai gali dirbti 2 val. prie +400˚C.
Ventiliatoriaus korpusas - iš suvirintos skardos, nudažytas epoksidiniais-poliuretaniniais dažais, kurie apsaugo nuo korozijos.
Ventiliatoriaus sparnuotė - iš galvanizuoto plieno. Mentys - lenktos i priekį.









