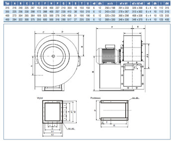
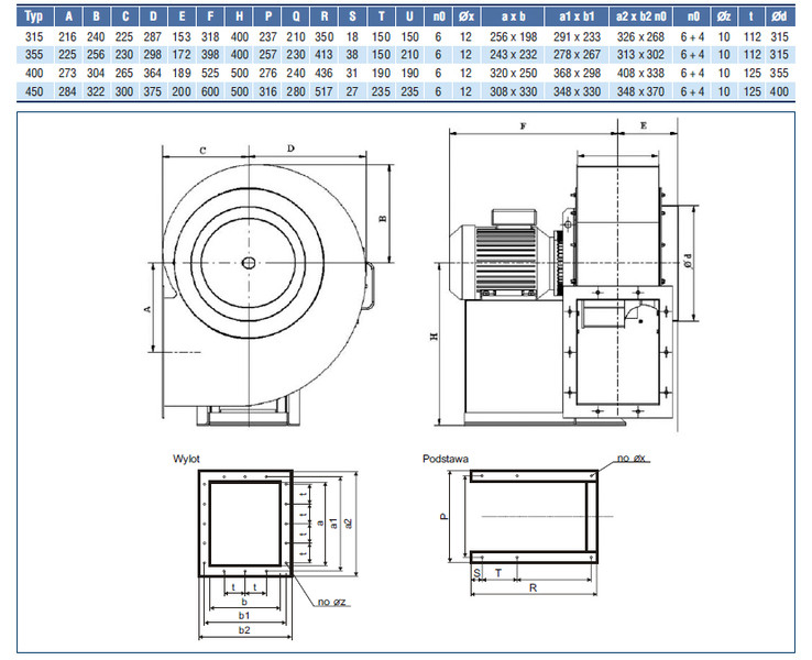
MSB-HT-2-355/125-220T
Prekės kodas: 45512820
Parametrai
| Išorės max temperatūra (C): | -20 +40 |
|---|---|
| Galia (kW): | 2.2 |
| Įtampa (V): | 230/400 |
| Srovė (A): | 7.9/4.6 |
| Apsisukimai (x/min): | 2895 |
| Našumas (m³/h): | 5400 |
| Slėgis (max Pa): | 1850 |
| Svoris (kg): | 76 |
| Triukšmo lygis (dB): | 84 |
| Srauto max temperatūra (C): | -20 +250 |
| Variklio IP : | IP 55 |
| Sandeliuojama : | - |



